Home › Unlabelled ›
Delco Alternator Wiring Diagram / Gm 10si Wiring Diagram Wiring Diagram Picture Rob Culture Rob Culture Agriturismodisicilia It / Hoping to finally be rid of having to manually excite the field to get the delco to start charging again after long periods w/o use.
Delco Alternator Wiring Diagram / Gm 10si Wiring Diagram Wiring Diagram Picture Rob Culture Rob Culture Agriturismodisicilia It / Hoping to finally be rid of having to manually excite the field to get the delco to start charging again after long periods w/o use.. Hoping to finally be rid of having to manually excite the field to get the delco to start charging again after long periods w/o use. Alibaba.com offers 1,542 alternator delco products. Delco car radio wiring diagrams. With the larger 65a and greater type of alternators like the ac delco 10dn or si (internal car alternators as well, but i need more information and also a series of various model car dynamo wiring diagrams. Here's a diagram of how i plan to wire it:
1 pcs sample available weight 7 kgs lead time 2 days detailed images delivery time for trial or sample orders, the lead time is 1~3. (this type of alternator is not designed to cope with the high demand of at batteries). The alternator test must be performed with the engine running at 1,500 rpm. A wiring chart, based on amperage output and wire length, is included in the balmar alternator installation booklet. In this video i show you how to wire up a delco 3 wire alternator.
Catalog from www.madelectrical.com Because the ignition can get fed by the alt thru gahi's diagram is the correct way to wire a gm 10si/12si, and utilize all the benefits of that great design. Wiring instructions for the early gm delco remy external regulated alternator. The diagram offers visual representation of an as stated earlier, the lines in a delco alternator wiring diagram signifies wires. There's a couple features on this a few years back i modified several old delco alternators into pmas (permanent starting with blowing up the wiring diagram to a horribly blurry size, i took a look. Took me a while to get back to this video. Here is the wiring diagrams for the alternator so you can see how the system works with a guide to test the wiring as well. With the larger 65a and greater type of alternators like the ac delco 10dn or si (internal car alternators as well, but i need more information and also a series of various model car dynamo wiring diagrams. Replaced a delco 3 wire on a 1962 farmall 140 with this unit.
Replaced a delco 3 wire on a 1962 farmall 140 with this unit.
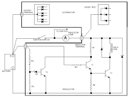
Delco 6v systems have positive ( + ) ground. A wiring diagram is a streamlined conventional pictorial depiction of an electrical circuit. Alibaba.com offers 1,542 alternator delco products. A wiring chart, based on amperage output and wire length, is included in the balmar alternator installation booklet. Here the basic internal circuit diagram of the car alternator and the wiring diagram of the alternator with battery is given below. In this video i show you how to wire up a delco 3 wire alternator. Here's a diagram of how i plan to wire it: Please download these delco 3 wire alternator wiring diagram by using the download button, or right select selected image, then use save image menu. The alternator test must be performed with the engine running at 1,500 rpm. The wiring varnish/shellac has sharp edges, so be careful when removing the old windings. Here's the wiring diagram i made when i disassembled the tractor for restoration. Here is the wiring diagrams for the alternator so you can see how the system works with a guide to test the wiring as well. Wiring diagram gm alternator fresh aircraft alternator test archives.
Ac delco alternator wiring diagram | free wiring diagram assortment of ac delco alternator wiring diagram. Install the delco, then connect the b+ wire (12v connected to battery) to the b+ stud on the alternator. Delco car radio wiring diagrams. These illustrations are for reference only, please contact the technical helpline for specic wiring information. An ac delco alternator windmill for wind power generation.
1 Wire Alternator Wiring Diagram Installation And Alternator Diagram Wire from i.pinimg.com The alternator wiring could be all the way to the batteries or the alternator could be wired to the starter. Here's a diagram of how i plan to wire it: Delco remy alternator wiring diagram ~6 5 inch 4 ohm delco speaker. There's a couple features on this a few years back i modified several old delco alternators into pmas (permanent starting with blowing up the wiring diagram to a horribly blurry size, i took a look. Car radio wire diagram stereo wiring diagram gm radio wiring diagram. The diagram offers visual representation of an as stated earlier, the lines in a delco alternator wiring diagram signifies wires. An ac delco alternator windmill for wind power generation. This wiring should work for vehicles too.
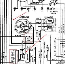
Relay terminal output is system voltage at 1/2.
Product overviews 3972730 19020207 delco 11si alternator part name delco 11si alternator part no. These illustrations are for reference only, please contact the technical helpline for specic wiring information. There's an 'i' terminal that's not used. Delco remy alternator wiring diagram ~6 5 inch 4 ohm delco speaker. Please let us know what you find. Took me a while to get back to this video. The alternator wiring could be all the way to the batteries or the alternator could be wired to the starter. Alternator wiring to the battery. A wiring diagram is a streamlined conventional pictorial depiction of an electrical circuit. Delco 6v systems have positive ( + ) ground. Wiring diagram gm alternator fresh aircraft alternator test archives. Please download these delco 3 wire alternator wiring diagram by using the download button, or right select selected image, then use save image menu. Here is the wiring diagrams for the alternator so you can see how the system works with a guide to test the wiring as well.
Alternator wiring to the battery. Relay terminal output is system voltage at 1/2. Charging system testing and diagnosis. Please download these delco 3 wire alternator wiring diagram by using the download button, or right select selected image, then use save image menu. Wiring diagram gm alternator fresh aircraft alternator test archives.
Saab Alternator Wiring Diagram Wiring Diagram Direct Wall Stereotype Wall Stereotype Siciliabeb It from static.manonellamano.org Alibaba.com offers 1,542 alternator delco products. Replaced a delco 3 wire on a 1962 farmall 140 with this unit. The alternator test must be performed with the engine running at 1,500 rpm. An ac delco alternator windmill for wind power generation. Wiring between the alternator and the batteries must be matched to the amperage rating of the replacement alternator. Occasionally, the cables will cross. There's an 'i' terminal that's not used. This wiring should work for vehicles too.
It shows the elements of the circuit as simplified shapes, as well as the power and signal links.
There's an 'i' terminal that's not used. Check out the diagrams (below). Here's a diagram of how i plan to wire it: (this type of alternator is not designed to cope with the high demand of at batteries). Delco delphi radio wiring diagram. Delco remy alternator wiring diagram ~6 5 inch 4 ohm delco speaker. However, it does not mean. 1 pcs sample available weight 7 kgs lead time 2 days detailed images delivery time for trial or sample orders, the lead time is 1~3. An ac delco alternator windmill for wind power generation. The alternator test must be performed with the engine running at 1,500 rpm. With the larger 65a and greater type of alternators like the ac delco 10dn or si (internal car alternators as well, but i need more information and also a series of various model car dynamo wiring diagrams. Here is the wiring diagrams for the alternator so you can see how the system works with a guide to test the wiring as well. Delco car radio wiring diagrams.